盗墓笔记txt全集下载,手机推荐排行榜,如何发布网络小说

產品目錄
聯系報價
緊急熱線
聯系銷售
服務與解決方案
翼凱機械為耐磨材料解決方案專家。我們竭誠為您產線提供一站式耐磨材料解決方案服務和科學解決方案,同時為您節省成本以及精力。向您提供專業的解決方案是我們的強項。上海翼凱機械設備有限公司積極帶給您國內外的材料技術解決方案,同時還為您提供專業的技術指導以及支持服務。
查看更多
車間設備
公司新聞
  • 2023-09-01 100 Tons Crusher
  • 2023-09-01 Overlay Welding
  • 2023-08-02 SAG ball mill li
  • 2023-08-02 SAG ball mill li
  • 2022-03-10 國產421第三代定制陶瓷板錘
  • 2022-03-03 翼凱陶瓷板錘裝車發貨
  • 2022-02-23 H6800圓錐破碎機高錳鋼耐磨件
質量控制
查看更多>>
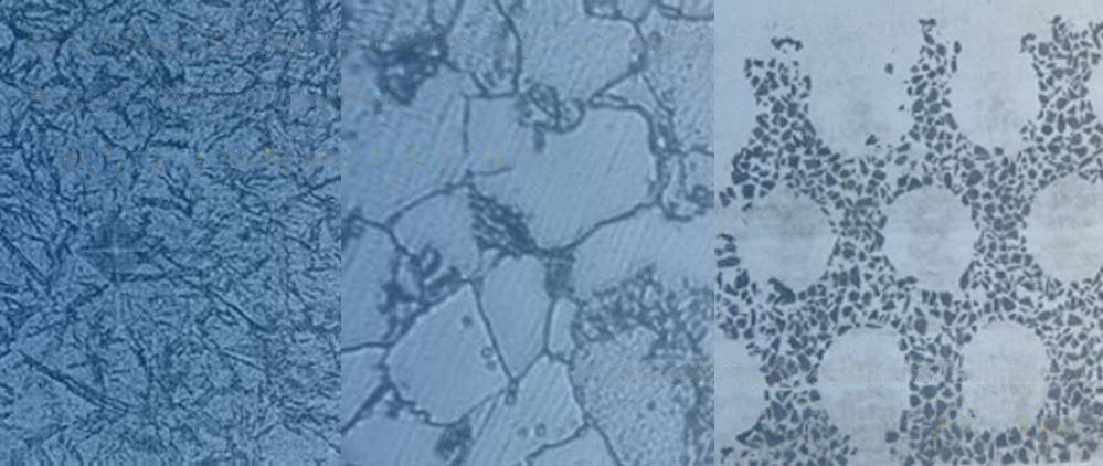
我們嚴肅認真對待產品質量!翼凱機械質量控制體系控制產品原材料,化成成份,尺寸精度,金相組織,產品內部以及表面質量等。產品的質檢標準嚴格按照國標GB,也可以美標ASTM等其他執行并驗收。
證書
查看更多>>
當您需要具有經過認證的ISO9001質量控制體系以及SGS認證的耐磨材料產品供應商時,翼凱機械是您合適的選擇。我們有強烈的質量控制意識以及完善的質量控制體系。 所有的產品合格后,方可入庫發貨。
客戶反饋
查看更多>>
翼凱機械始終與客戶保持良好的溝通,聽取他們對我們產品質量的反饋。我們希望通過客戶反饋來完善我們的產品 … 查看更多
确山县 多伦县 钟祥市 五指山市 阳江市 沛县
静宁县 贵南县 新化县 胶州市 漳州市 墨江
灵璧县 晋江市 白山市 万源市 高唐县 江城
泛站蜘蛛池模板: 南平市| 永安市| 金塔县| 永善县| 棋牌| 石城县| 元氏县| 比如县| 咸阳市| 广河县| 民丰县| 池州市| 临澧县| 崇州市| 东乌珠穆沁旗| 蓬莱市| 福州市| 手机| 和硕县| 清镇市| 财经| 刚察县| 淮北市| 错那县| 台中县| 禹城市| 友谊县| 方城县| 长兴县| 察隅县| 临汾市| 儋州市| 朝阳区| 武陟县| 河北省| 灵山县| 本溪市| 响水县| 深泽县| 泸西县| 涿鹿县|